便捷美觀的控制面板
多種形式的調速器可供選擇,數顯,旋鈕功能一應俱全
多種調速控制器可搭配,對應不同使用安裝需求可選擇SF系列面板式調速器,SPC系列面板式調速器,SK系列內置式調速器,DK,DB系列內置式通訊型驅動器。

經過重復驗證的可靠性
ANSYS有限元分析電機仿真優化設計的電磁系統, 更高效,溫升更低。
高效強悍的性能額定運轉時,以電阻法測定其繞組溫度上升值為70K以下。
電機噪音≤50dB,最大效率達到74.1%。

適應各種工況的耐久性
在高溫,低溫,高海拔等惡劣工況下仍能長久平穩的運行。
適合嚴酷的使用條件· 適用于最低環境-10℃ · 適用于海拔高度提高到2000m · 適用最高環境溫度提高到45°C
· 適用于環境最高濕度90% · 適用于電壓偏差值10%
電機防水保護結構達到IP54。

適配各種需求的靈活性
擁有多種電壓等級,減速比及功率可以選擇,完美匹配需求。
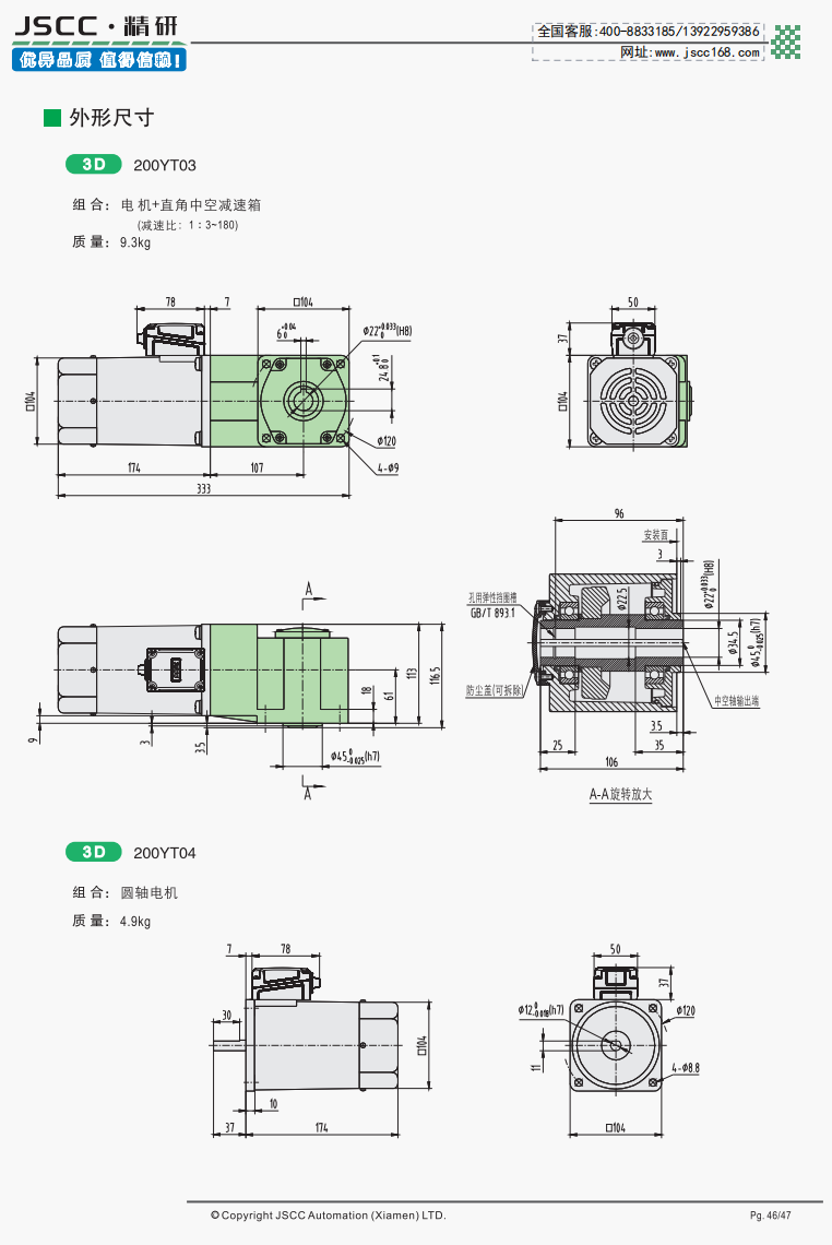
超多種減速箱適配速比范圍1:3~1:1800,可使用二級減速,直角中實,直角中空,圓軸,曲軸等多種裝配方式。
適配全球電壓,助力拓展業務可選擇單相110V,單相220V,三相220V,三相380V,如有需要還可定制獨特電壓需求。

符合多種國際認證的安全性
獲得多種國際認證,擁有中國強制產品認證制度(CCC制度)認證。
符合安全規格全部機型符合各種安全規格。